N-nitrosamines are a class of compounds that have been shown to exhibit carcinogenic and mutagenic effects in animal models at several different tissue sites and by several different routes of exposure. Nitrosamines can potentially be formed in consumer products, cosmetics and personal care formulations, either during manufacture or product storage. N-Nitrosamine formation occurs when secondary amines are present in addition to a nitrating agent such as nitrous acid, nitrites, or nitrogen oxides, generally under acidic conditions.
Analysis of cosmetic, personal care and consumer products for nitrosamine content should be included in Product Safety Assessments to ensure compliance with the new Cosmetic and Consumer Products Regulations. It has also been noted that cosmetics over five years old had higher concentrations of N-nitrosamines than new samples of the same products. This indicates that the formation of N-nitrosamines limits the shelf life of cosmetics and should be assessed as part of a cosmetic product’s routine safety evaluation.
In this application note, we describe the analysis of eight volatile and non-volatile N-nitrosamines previously detected in cosmetics and personal care formulations using the ACQUITY UPLC I-Class System coupled to the Xevo TQ-S micro. The described method offers several benefits over previous methodologies including:
This application note describes a method for the identification and quantitation of carcinogenic nitrosamines in consumer products offering:
N-nitrosamines are a class of compounds that have been shown to exhibit carcinogenic and mutagenic effects in animal models at several different tissue sites and by several different routes of exposure.1-3 Nitrosamines can potentially be formed in consumer products, cosmetics and personal care formulations, either during manufacture or product storage.4 N-Nitrosamine formation occurs when secondary amines are present in addition to a nitrating agent such as nitrous acid, nitrites, or nitrogen oxides, generally under acidic conditions. Analysis of cosmetic, personal care and consumer products for nitrosamine content should be included in Product Safety Assessments to ensure compliance with the new Cosmetic and Consumer Products Regulations.5 It has also been noted that cosmetics over five years old had higher concentrations of N-nitrosamines than new samples of the same products.6 This indicates that the formation of N-nitrosamines limits the shelf life of cosmetics and should be assessed as part of a cosmetic product’s routine safety evaluation.
In both the United States and the European Union, consumer products manufacturers ensure product safety prior to commercialization, list all ingredients on the product label, and comply with any restrictions that are established for ingredients and products. Any potential risk from a product is assessed as part of its safety evaluation. In the European Union, EU Directive 1223/2009 has been in force since 2013.5 It strengthens the safety of cosmetic products and streamlines the framework for all operators in the sector. It provides a robust, internationally recognized regime, which reinforces product safety while taking into consideration the latest technological developments. EU 1223/2009 specifies in Annexes II and III that N-nitrosamines (along with other contaminants) must not be present in cosmetic products above levels of 50 µg/kg. In the United States, the U.S. FDA, under the auspices of The Food, Drug, and Cosmetics Act (1938) and The Fair Packaging and Labelling Act (1966) considers any cosmetic product containing N-nitrosamines as adulterated, and as such, has the power to apply for those products to be seized and removed from the market.7,8 In Asia, the ASEAN nations have modeled the ASEAN Cosmetics Directive9 on the above European legislation. China, India, and Japan also regulate cosmetics in a similar fashion.
EU Directive 2009/48/EC pertains to the safety of toys, finger paints, and elastomeric materials likely to be placed in the mouth of children.10 This legislation also limits the cumulative presence of N-nitrosamines to less than 50 µg/kg in total. The legislation applies to any toys or equipment containing elastomeric materials such as soothers and bottle teats aimed at children. The applicability of this method was also tested against analysis of infant feeding bottle teats for the presence of N-nitrosamines utilising sample preparation procedures set out in draft European Standard prEN 71 – 12:2012:E. Previously utilised methods for the analysis of N-nitrosamines in both cosmetics formulations and elastomeric materials include GC-TEA, GC-MS, and HPLC coupled to colorimetric detectors and LC-ESI-MS.11-15 Run times ranged from 12 to 35 mins for LC methods and 20 to 40 mins for GC methods. TEA analysis was reported to be very time consuming, which limited sample throughput. It was also generally only applicable to analysis of volatile nitrosamines.
In this application note, we describe the analysis of eight volatile and non-volatile N-nitrosamines previously detected in cosmetics and personal care formulations using Waters ACQUITY UPLC I-Class System coupled to Xevo TQ-S micro. The described method offers several benefits over previous methodologies including enhanced selectivity and sensitivity over colorimetric and ESI-MS methods. Quantitation is possible below the regulatory limits of 50 µg/kg. Runtimes are reduced offering associated time and cost savings over HPLC and GC methods. The RADAR acquisition method used allows the ability to mine simultaneously acquired full scan data to search for other contaminants.
Cosmetic and personal care samples were prepared for analysis by an extraction protocol developed and validated by Qiang et al.11 The samples underwent sonic extraction followed by sample cleanup utilizing Oasis HLB SPE Cartridges. Liquid and gel samples were prepared using 1:1 MEOH: acetone as a sonic extraction medium. Solid or semi-solid cosmetic samples were prepared using ethanol: acetone 4:1.
|
LC system: |
ACQUITY UPLC I-Class |
|
Run time: |
9.1 min |
|
Column: |
ACQUITY UPLC HSS T3, 1.7 μm, 2.1 x 100 mm |
|
Column temp.: |
40 °C |
|
Sample temp.: |
5 °C |
|
Mobile phase A: |
Water (0.1% formic acid) |
|
Mobile phase B: |
Methanol (0.1% formic acid) |
|
Flow rate: |
0.3 mL/min |
|
Injection volume: |
20 μL |
|
Mobile phase gradient is detailed in Table 1. |
|
|
MS system: |
Xevo TQ S-micro |
|
Ionization mode: |
APCI positive |
|
Corona pin voltage: |
15 V |
|
Source temp.: |
150 °C |
|
Probe temp.: |
600 °C |
|
Desolvation gas: |
1200 L/hr |
|
Cone gas: |
200 L/hr |
|
Acquisition: |
MRM with RADAR |
Ionization parameters and transition pairs were optimized automatically using the IntelliStart function of MassLynx Software. IntelliStart is a feature within MassLynx that can be used to monitor system health, perform QC checks, and aid the method development process by increasing ease of use and decreasing user to user variation. In this instance the automatic tuning parameters feature of IntelliStart was used to determine optimum ionization parameters such as cone voltages for parent ions and collision gas energies for MRM transitions. Table 2 summarizes the optimum parameters for the analytes tested, along with information about the analyte names, chemical formulas, and CAS numbers.
Table 2. Aliphatic, cyclic, and heterocyclic N-nitrosamines previously found in consumer product formulations, structures, associated CAS numbers and empirical formulas, expected retention times, cone voltages, MRM transitions, and associated collision energy values.
*Refers to the quantitation transition.
MassLynx Software was used to control the ACQUITY UPLC I-Class System and the Xevo TQS-micro, and also for data acquisition. Data quantitation was achieved using TargetLynx Application Manager.
The analysis of eight N-nitrosamines historically found in cosmetic formulations was achieved using the Xevo TQ S-micro in MRM mode with APCI ionization in positive mode, coupled to an ACQUITY I-Class System.
The MRM transitions for each of the analytes were optimized using the IntelliStart function of MassLynx Software as previously discussed. LC conditions (column chemistry, gradient profile, injection volume, etc.) were based on previous work by Al-Kaseem et al16, and optimized to improve run time, elution order, and signal intensity.
Example chromatograms of standards prepared in the cosmetic matrix at a concentration equivalent to the regulatory limit of 50 µg/kg are shown in Figure 1.
Mixed calibration standards from 0.001 ppm to 0.5 ppm were prepared and analyzed for all of the compounds considered. All nitrosamines were found to give a linear response over concentration ranges from 0.01 ppm to 0.5 ppm (10 times the regulatory limit of 0.05 ppm). R2 values for all curves were >0.99, and matrix effects were found to be <8%.
Samples were prepared from a range of cosmetic and personal care formulations including shampoo, hand wash, and lipstick. All samples were tested for the presence of the N-nitrosamines as detailed in the Experimental section, and were found to be free of N-nitrosamines. In order to test the suitability of the method, blank matrix samples were spiked with nitrosamines in amounts at or around the regulatory limit. In the example shown below in Figure 2, a shampoo sample was prepared, and spiked with N-nitrosodipropylamine at a concentration of 0.06 ppm (ng/mL). After sonic extraction and SPE the sample was analyzed alongside the matrix standards using a TargetLynx method to determine the N-nitrosodipropylamine concentration.
The data was quantified using the TargetLynx method to determine the amount of N-nitrosodipropylamine present in the spiked sample. Figure 1 shows the results generated in TargetLynx for the spiked shampoo sample, along with the calibration curve generated from the matrix standards to quantify the spiked sample. Figure 1 also shows the MRM trace for the confirmatory transition for N-nitrosodipropylamine. All of the results generated from the method for spiked samples were accurate in the range of 98% to 102% expected result for tested formulations including shampoo, hand wash, and lipstick.
Silicon-free feeding teats from a leading manufacturer were tested according to a draft protocol set out in European Standard prEN 71 – 12:2012:E. 10 cm2 portions of the elastomeric material used to form the teat were submerged in synthetic saliva containing a source of nitrite. Nitrite has been proven to convert secondary amines to N-nitrosamines under acidic conditions such as those found in the human stomach.17 The teat samples were submerged for 30 minutes before the resultant supernatant was analyzed according to the method with no further sample preparation.
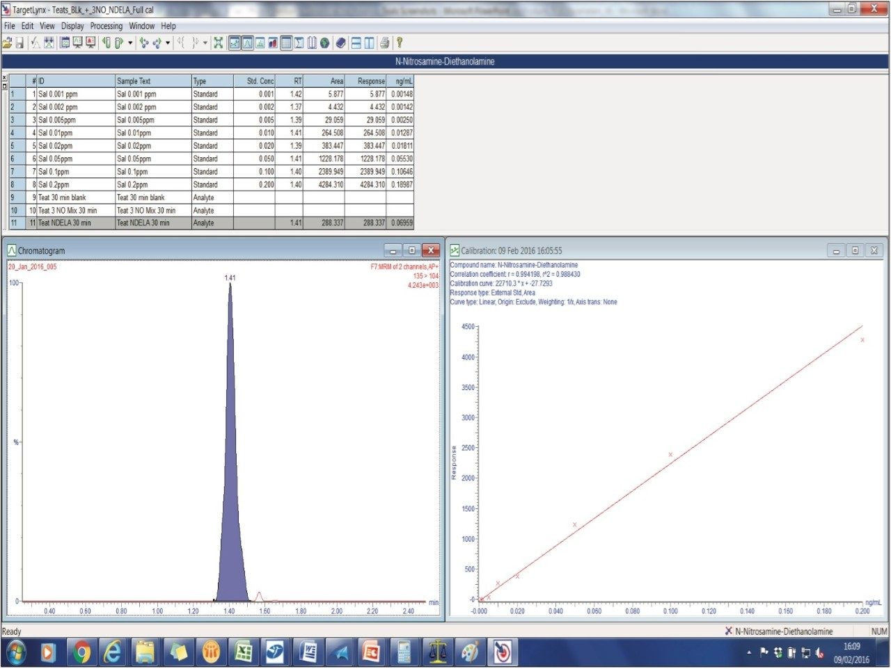
Unadulterated submerged samples were analyzed to determine the presence of nitrosamines. The samples were found to contain trace amounts of N-nitrosodibutylamine at levels approximately 10 times below the regulatory limits. In order to further test the efficacy of the method, additional teat samples were prepared and spiked with N-nitrosodiethanolamine at a concentration 1.4 times the regulatory limit. Samples were also prepared spiked with a mixture of three different N-nitrosamines, each below the regulatory limit, but with a cumulative concentration above the regulatory limit of 50 µg/kg. Figure 3 shows The TargetLynx Result Summary for the N-nitrosodiethanolamine spiked sample, comprised of the calculated injections, a chromatogram of the spiked sample, and the N-nitrosodiethanolamine calibration curve generated for the calculation.
The TargetLynx Sample Quantification reports generated from the NDELA spiked samples and the low level spiked samples are shown in Figure 4.
As mentioned previously, it has been noted that N-nitrosamine levels can increase in personal care formulations upon storage.6 The ability to determine the emergence of any N-nitrosamines over time would allow manufacturers to determine safe shelf lives for their products. To this end the method was used to test for the presence of nitrosamines in a new lipstick formulation and an old sample of the same brand. In addition to the targeted searching of the eight nitrosamines outlined in the method, utilizing the RADAR functionality available on the Xevo TQ-S micro instrument allows for simultaneous recording of multiple MRM transitions, along with scanning experiments across a defined m/z range. Figure 5 shows the TIC chromatograms comparing the new and aged lipstick samples. There appears to be an additional peak in the TIC with a retention time of approximately 4.55 minutes that does not correspond to N-nitrosodibutylamine, as shown by the absence of any peak at 4.55 minutes in the MRM transition chromatogram for that compound.
When analyses are conducted using RADAR data acquisition mode, expected analytes can be accurately quantified while simultaneously probing the sample for the presence of unknowns – without any loss of data integrity. Figure 6 again shows the TIC chromatograms for both the new and aged lipstick samples. When run in RADAR mode, the data acquired allows for examination of the relevant mass spectra to determine any differences at the observed peak time. The magnified MS spectra views in Figure 6 show the significant presence of an ion at m/z 199 in the aged sample over the new sample. Extracting this ion gives the extracted ion chromatogram shown in Figure 6 with a corresponding retention time of 4.55 minutes. A search of the literature suggests that m/z 199 possibly corresponds to the [M+H]+ ion for N-nitrosodiphenylamine if the peak appearing in aged samples is due to N-nitrosamine formation. Further work is planned utilizing high resolution mass spectrometry (HRMS) to confirm the identity of the unknown ion present in the aged lipstick samples.
An LC-APCI-MS method has been developed to rapidly detect and quantify eight commonly found nitrosamines in consumer product formulations. All analytes are quantifiable at or below the regulatory limits of 50 µg/kg for cosmetics formulations and elastomeric toys. Three cosmetic formulations and one elastomeric material sample were tested for the presence of nitrosamines. The shampoo and hand wash formulations tested were found to be free of nitrosamines. The tested baby feeding teat sample was found to contain trace amounts of an N-nitrosamine below the regulatory limit. The incorporation of RADAR data acquisition into the method allows for the mining of full scan MS data for the potential presence of additional nitrosamines and suggested the presence of an additional N-Nitrosamine in the aged cosmetic formulation.
720005664, April 2016